欧标4080铝型材 订单编号: WA40-4080-6-L(1000) 型材槽数: " />

华体会(中国)

联系我们
地址:暂无
手机/微信一:15524700779
手机/微信二:13654200914
QQ客服一:暂无
QQ客服二:暂无


欧标4080铝型材 米重2.99

所属分类:40系列铝型材 产地:中国.辽宁.大连
地址:暂无
电话:0411-********
微信:15524700779
手机:15524700779
在线咨询: 立即在线沟通
邮箱:1149966441@qq.com
网址: www.khtscvtv.com


  


<a href=/oubiaolvxingcai/ target=_blank class=infotextkey>欧标</a>2080<a href=/ target=_blank class=infotextkey><a href=/ target=_blank class=infotextkey>铝</a>型材</a> 壁厚1.8 米重1.65
 

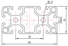
 欧标4080型材

订单编号: WA40-4080-6-L(1000)

型材槽数:  6 槽

型材槽宽: 8.2  mm

集合惯性: Lx = 15.81cm4;  Ly = 62.18cm4;

截面惯性: Zx =7.91 cm3;  Zy = 15.55cm3;

单位重量:2.99kg/m;

每根总长:6.02 m(可根据用户要求裁切);

材料材质:6063-T5 铝合金

表面处理:平光氧化、银白阳极氧化。

本网站目前只展示了部分产品,更多产品请电话咨询;另外本公司还能开模具、喷涂等,欢迎来电咨询!
大连万程铝业的企业宗旨“立足诚信、质量优先、服务真诚、口碑传承”。